Приветствую Вас Гость | RSS

01:25
Схема тритон программатор
Схема тритон программатор
Название: Схема тритон программатор
Размер: 9 Мб
Дата: 17.01.2024 в 01.25
Форум РадиоКот • Просмотр Темы - Программатор Тритон И.
Форум РадиоКот • Просмотр Темы - Программатор Тритон И.

Motorola Triton MP-100 - operation manual. 3458, 0, 7512, ur5gnj, 08 Ноя 2012 23:51. Motorola Two Way Encryption Modules By Radio Series. 112, 0, 7077, Rulez.

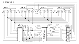
NiXIE: Часы "Элиза"
NiXIE: Часы "Элиза"

Схема программатора ТРИТОН оптимизирована для работы с микросхемами памяти больших объемов, благодаря чему время проверки AM29LV160D составляет около 8,5 секунд.

Currently Browsing :: Triton-V5.7TU
Currently Browsing :: Triton-V5.7TU

Схема относительно сложновата (относительно LPT программаторов), но. Я за тритон. Вроде быстро реагируют на пожелания и добавляют.

Большое Начало Цифровых Приборов На Диодных Индикаторах. Часть 8.
Большое Начало Цифровых Приборов На Диодных Индикаторах. Часть 8.

Оптимизированная схема программатора, современный процессор и скоростной USB интерфейс обеспечивают превосходную скорость работы с микросхемами. Идеальное.

Печатная Плата Для USB Программатора USBasp » Страница 10.
Печатная Плата Для USB Программатора USBasp » Страница 10.

25 нояб. 2021 г. Данная схема общается с ПК через USB порт и. После сборки схемы и прошивки микроконтроллера через программатор Тритон меня постигла неудача:

Программатор ТРИТОН - TST-D40/TS48-N08
Программатор ТРИТОН - TST-D40/TS48-N08

программатором. Схема программатора ТРИТОН оптимизирована для работы с микросхемами памяти больших объемов, благодаря чему время проверки.

Программатор ТРИТОН - TST-D40/TS48-N08
Программатор ТРИТОН - TST-D40/TS48-N08

Схема взята с QRZ.ru, софт - PonyProg. Читает и пишет EEPROM-ы прекрасно. Программатор Тритон. Разводку на DIP8 делал по мануалу на 24C01.

Микросхемы NAND-Flash.
Микросхемы NAND-Flash.

[Москва] Помогу прошить вашу микросхему(программатор Тритон) ; workman Не в сети. Заголовок сообщения: Re: [Москва] Помогу прошить вашу.

Программатор Громова |
Программатор Громова |

Программатор ТРИТОН. главная · поиск · карта сайта · www.trt.ru · Программаторы. Eсли ток потребляемый схемой не превышает 50mA, то можно запитать схему от.

Форум РадиоКот • Просмотр Темы - Программатор Тритон И Всё О Нём И.
Форум РадиоКот • Просмотр Темы - Программатор Тритон И Всё О Нём И.

10pin соответствует схеме. 5pin Вы вызвонили. Резисторы могут быть установлены, а могут быть и нет. В чем собственно засада? :kill.

Программатор "Тритон" - Проблемы/Решения • VLab
Программатор "Тритон" - Проблемы/Решения • VLab

7 янв. 2009 г. Ну и кстати - где печатка и разводка ? :gigi: Информация Неисправность Прошивки Схемы Справочники Маркировка.

Внутрисхемное Программирование С Помощью Программатора ТРИТОН
Внутрисхемное Программирование С Помощью Программатора ТРИТОН

Подробное описание. Скорость обмена с компьютером до 460800 бод, при использовании переходников USB-COM; Схема программатора оптимизирована для работы с.

ТРИТОН - Программаторы ТРИТОН - Программатор ТРИТОН+ V5.7TU
ТРИТОН - Программаторы ТРИТОН - Программатор ТРИТОН+ V5.7TU

схему программатора. ДОБАВЛЕНО 01/04/2016 00:35 другие схемы spi. Самодельная панелька для программатора тритон · смогу ли я прошить.

Программатор Громова |
Программатор Громова |

программатором, схема его в сети есть, можно собрать самому. С этого переходника можно программировать практически любую атмегу! Вернуться.

Программатор. Схема Программатора. Универсальный Программатор.
Программатор. Схема Программатора. Универсальный Программатор.

ТРИТОН+ V5.8TU, Профессиональный высокоскоростной программатор микросхем с USB интерфейсом и возможностью автономной работы. Лучший выбор для использования.

USB Программатор AVR — USBAsp |
USB Программатор AVR — USBAsp |

15 авг. 2008 г. triton: 15 июня 2009 в 15:49. вот если я поставлю atmega8-16. Вроде как и работает схема, но нужно иметь под рукой старый программатор Громова.

Программатор ТРИТОН V5.3T
Программатор ТРИТОН V5.3T

[Документация] Программатор Тритон · TDW, 05.03.2015. Ответов: 16. Просмотров. Нужна схема, Документация, Новичок, Исправлено модератором, Обсуждение, New.

Тритон - Фотоальбом
Тритон - Фотоальбом

Оптимизированная схема программатора, современный процессор и скоростной USB интерфейс обеспечивают превосходную скорость работы с микросхемами. Виртуальный.

Тритон - Переходные Панельки И Адаптеры
Тритон - Переходные Панельки И Адаптеры

схемы, если у кого есть что-то подобное, я не жмот могу поделиться, до этого было MasterProg4 и STK500 от Atmel, эта игрушка мне нравиться.

Основные Характеристики Программаторов ТРИТОН+ - ТРИТОН
Основные Характеристики Программаторов ТРИТОН+ - ТРИТОН

Оптимизированная схема программатора, современный процессор и скоростной USB интерфейс обеспечивают превосходную скорость работы с микросхемами. Виртуальный.

Просмотров: 148 | Добавил: maxim | Рейтинг: 0.0/0
Всего комментариев: 0
Меню сайта
Поиск
Вход на сайт
Календарь
«  Январь 2024  »
Пн Вт Ср Чт Пт Сб Вс
1234567
891011121314
15161718192021
22232425262728
293031
Архив записей
Друзья сайта
Статистика

Онлайн всего: 1
Гостей: 1
Пользователей: 0