Приветствую Вас Гость | RSS

02:35
Электрическая схема lx470
Электрическая схема lx470
Название: Электрическая схема lx470
Размер: 5 Мб
Дата: 17.01.2024 в 02.35
Мануалы Эл.Схемы LX470 С Файл-Сервера Нашего Клуба.(Ссылки)
Мануалы Эл.Схемы LX470 С Файл-Сервера Нашего Клуба.(Ссылки)

Устройство, эксплуатация, ТО, диагностика, электрические схемы. В предлагаемом пособии по ремонту автомобиля Toyota Land Cruiser 100 / Lexus LX 470 описаны.

Руководство По Ремонту И Техническому Обслуживанию Lexus LX470.
Руководство По Ремонту И Техническому Обслуживанию Lexus LX470.

В руководстве по ремонту и обслуживанию Лексус 470 представлена документация по ремонту Lexus LX470, обслуживание и диагностика, цветные электрические схемы.

Климат Тлк100/Lx 470 Схема
Климат Тлк100/Lx 470 Схема

48910A Насос и мотор управления клиренсом в сборе. 48912 BUSH, COMPRESSOR. 48913B Крышка насоса управления клиренсом. 48930C Резервуар управления клиренсом.

Руководства По Обслуживанию И Ремонту Для Lexus LX470 - Огромный.
Руководства По Обслуживанию И Ремонту Для Lexus LX470 - Огромный.

Датчик АБС ABS скорости передний правый Toyota Land Cruiser 100 Lexus LX 470 оригинал 8954260040 89542-60040 в наличии на складе в Киеве. Продажа и отправка.

LEXUS - EPS-Minsk САЙТ В ПРОЦЕССЕ РАЗРАБОТКИ
LEXUS - EPS-Minsk САЙТ В ПРОЦЕССЕ РАЗРАБОТКИ

Вот эта программка - мануал мне нравится больше всего ( возможно из за простоты поиска, он работает программно и меню переводится на Русский в.

Мануалы Эл.Схемы LX470 С Файл-Сервера Нашего Клуба.(Ссылки)
Мануалы Эл.Схемы LX470 С Файл-Сервера Нашего Клуба.(Ссылки)

Lexus LX470 - электрическая схема системы рулевого управления VGRS. Ремонт электроусилителей руля в минске. ИП Лабада А.А. УНП 192556456. Рабочее время. 10.00.

Автокнига: Руководство / Инструкция По Ремонту И Эксплуатации.
Автокнига: Руководство / Инструкция По Ремонту И Эксплуатации.

В архив форума зайди. Там лежат все цветные эл схемы на леху. "все проходит&quot.

Руководства По Обслуживанию И Ремонту Для Lexus LX470 - Огромный.
Руководства По Обслуживанию И Ремонту Для Lexus LX470 - Огромный.

30 апр. 2014 г. Здравствуйте! Помогите у кого есть схемы электропроводки от LX 470. Будет хорошо если в целом, или хотя бы раздел про освещение салона.

Lexus LX 470, 1998-2007, Полная Информацию По Ремонту Лексус LX470.
Lexus LX 470, 1998-2007, Полная Информацию По Ремонту Лексус LX470.

г. Lexus LX470, 2004y. lexus lx 470 · srs. если ошибки по боковым шторкам то и разбираетесь в электрической схеме при чем программное обеспечение?

Схема Подключения Противотуманных Фар TLC 100 - Тех. Вопросы.
Схема Подключения Противотуманных Фар TLC 100 - Тех. Вопросы.

Руководство по ремонту Toyota Land Cruiser 100 & Lexus LX 470 1998-2007 гг. выпуска, оборудованных бензино- вым двигателем 2UZ-FE (4,7 л V8. В издание.

Мануалы Эл.Схемы LX470 С Файл-Сервера Нашего Клуба.(Ссылки)
Мануалы Эл.Схемы LX470 С Файл-Сервера Нашего Клуба.(Ссылки)

23 мар. 2023 г. Lexus LX470. Ответить в тему; Создать тему. Не могу найти нигде электрическую схему подключения датчика дождя ни на 100ку, ни на 470го.

Руководства По Обслуживанию И Ремонту Для Lexus LX470 - Огромный.
Руководства По Обслуживанию И Ремонту Для Lexus LX470 - Огромный.

5. Lexus LX 470 (UZJ100), 01/1998-->10/2007, полная информацию по ремонту Лексус LX470, электрические схемы на Lexus LX470, кузовные размеры, бюллетени и другая.

Снова Предохранители На Примере Lexus LX470
Снова Предохранители На Примере Lexus LX470

Lexus LX 470, 1998-2007, полная информацию по ремонту Лексус LX470, электрические схемы на Lexus LX470, кузовные размеры, бюллетени и другая информация для.

LEXUS - EPS-Minsk САЙТ В ПРОЦЕССЕ РАЗРАБОТКИ
LEXUS - EPS-Minsk САЙТ В ПРОЦЕССЕ РАЗРАБОТКИ

402. Lexus LX 470 1998-2007, полная информацию по ремонту Лексус LX470, электрические схемы на Lexus LX470, кузовные размеры, бюллетени и другая информация для.

Электрическая Схема Ahc | PDF | Land Vehicles | Automotive.
Электрическая Схема Ahc | PDF | Land Vehicles | Automotive.

Установочный комплект для дисплеев MFA типа в Toyota Land Cruiser, Lexus LX470 2003 - 2007 по лучшей цене. Доставка по России. 8 800 77 55 186.

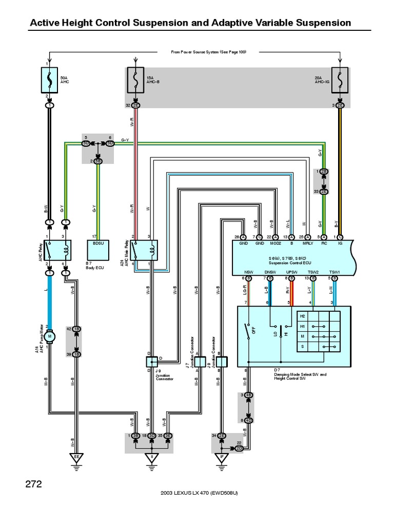
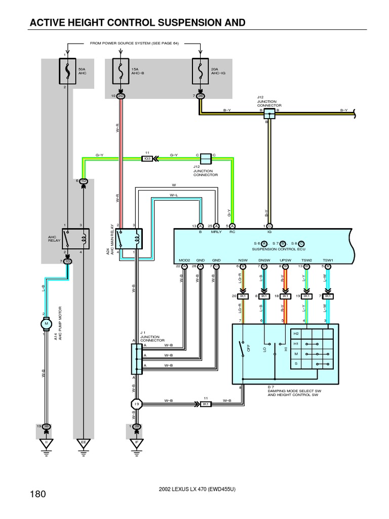
Active Height Control Suspension And Adaptive Variable Suspension.
Active Height Control Suspension And Adaptive Variable Suspension.

Найдите на eBay выгодные предложения по запросу Руководства по обслуживанию и ремонту для Lexus LX470. Вы найдете новые и б/у товары в Руководства по.

Руководства По Обслуживанию И Ремонту Для Lexus LX470 - Огромный.
Руководства По Обслуживанию И Ремонту Для Lexus LX470 - Огромный.

3 сент. 2008 г. Эта схема если я не ошибаюсь с LX470 и LC100 с 1997г. бензин, в книге видел такую, провода по цветам совсем другие, и распиновка не та! Помоему.

Мануалы Эл.Схемы LX470 С Файл-Сервера Нашего Клуба.(Ссылки)
Мануалы Эл.Схемы LX470 С Файл-Сервера Нашего Клуба.(Ссылки)

22 нояб. 2023 г. Туманки Lexus LX470 / Toyota Cygnus Тюнинг LED UZJ100W, 2UZFE в Омске. электрических схем ОПТИКИ; - повреждения вызванные влагой, коротким.

Lexus LX470 И Ошибка P1127
Lexus LX470 И Ошибка P1127

Найдите на eBay выгодные предложения по запросу Руководства и литература по ремонту для Lexus LX470. Вы найдете новые и б/у товары в Руководства и.

КЛУБ ЛЕКСУС РОССИЯ :: Мануалы Эл.Схемы LX470 С Файл-Сервера Нашего.
КЛУБ ЛЕКСУС РОССИЯ :: Мануалы Эл.Схемы LX470 С Файл-Сервера Нашего.

Ремонт фар, Установка линз / ламп, полировка фар, Камеры заднего вида, Парктроники. Тел.: +38 096 775 22 66 · Ул. Семена Скляренко 22. Схема проезда к магазину.

Просмотров: 86 | Добавил: maxim | Рейтинг: 0.0/0
Всего комментариев: 0
Меню сайта
Поиск
Вход на сайт
Календарь
«  Январь 2024  »
Пн Вт Ср Чт Пт Сб Вс
1234567
891011121314
15161718192021
22232425262728
293031
Архив записей
Друзья сайта
Статистика

Онлайн всего: 24
Гостей: 24
Пользователей: 0